
海底阀,又称为紧急切断阀或罐底阀,
气动海底阀,则又称为气动紧急切断阀
安装于油罐车之类容易受碰撞或发生火灾且需要自动紧急切断的场所,当罐车发生碰撞或颠覆时,海底阀能够自动紧急切断管道,罐体仍保持密封,以避免罐内介质泄露;从而提高了运输的安全可靠性。广泛适用于化工原料食用油品以及轻质燃油品的运输,具有无污染,安全可靠等优点。


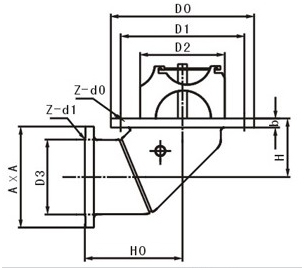
槽车紧急切断阀 海底阀主体材质为铝合金或304不锈钢,另外可按需要生产碳钢或316材质,订货时请注明。
本产品适用于化工原料、油类等运输。使用温度为-20~150摄氏度。
804A型底阀采用45°角设计,安装便捷,使用方便。
804B型底阀采用90°角设计,符合传统安装使用要求。
804Q不锈钢气动海底阀,采用在H04B海底阀上安装一气动装置,使用更加便捷,且维护方便。


