
产品概述
1、采用板簧预载的可动金属阀座结构,密封力设计合理,启闭灵活,密封可靠。
2、根据用户的需要,可设计成适用于含固体颗粒、料浆等介质的结构戒耐较高温度的结构。
3、采用下装式阀捍,设置倒密封结构,能确保填料处可靠密封。

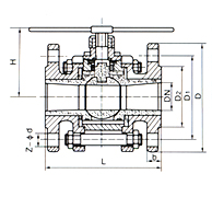
主要连接尺寸及重量
|
公称压力(Mpa) |
公称通径(N(mm) |
尺寸(mm) |
连接尺寸(mm) |
||||||||
|
L |
L1 |
H |
W |
D |
D1 |
M |
D2 |
Z-d |
b |
||
|
PN16.0MPa |
10 |
210 |
52 |
77 |
220 |
95 |
60 |
M24×2 |
18 |
3-18 |
20 |
|
15 |
230 |
62 |
86 |
220 |
95 |
60 |
M24×2 |
20 |
3-18 |
20 |
|
|
20 |
240 |
73 |
94 |
250 |
105 |
68 |
M33×2 |
28 |
3-18 |
20 |
|
|
25 |
260 |
77 |
100 |
250 |
105 |
68 |
M33×2 |
28 |
3-18 |
2 |
|
|
32 |
300 |
100 |
120 |
300 |
115 |
80 |
M42×2 |
38 |
4-18 |
24 |
|
|
40 |
350 |
110 |
150 |
400 |
165 |
115 |
M52×2 |
48 |
6-26 |
30 |
|
|
50 |
400 |
130 |
165 |
400 |
165 |
115 |
M64×3 |
58 |
6-26 |
32 |
|
|
65 |
490 |
140 |
180 |
500 |
200 |
145 |
M80×3 |
74 |
6-29 |
40 |
|
|
80 |
580 |
150 |
200 |
600 |
225 |
170 |
M100×3 |
94 |
6-33 |
50 |
|
|
100 |
620 |
178 |
245 |
800 |
260 |
195 |
M125×4 |
115 |
6-36 |
60 |
|
|
PN32.0MPa |
10 |
210 |
52 |
77 |
220 |
95 |
60 |
M24×2 |
18 |
3-18 |
20 |
|
15 |
230 |
62 |
86 |
220 |
105 |
68 |
M33×2 |
28 |
3-18 |
20 |
|
|
20 |
240 |
73 |
94 |
250 |
105 |
68 |
M33×2 |
28 |
3-18 |
20 |
|
|
25 |
260 |
77 |
100 |
250 |
115 |
80 |
M42×2 |
35 |
4-18 |
25 |
|
|
32 |
300 |
100 |
120 |
300 |
165 |
115 |
M48×2 |
41 |
4-22 |
30 |
|
|
40 |
350 |
110 |
150 |
400 |
165 |
115 |
M64×3 |
47 |
6-26 |
35 |
|
|
50 |
400 |
130 |
165 |
400 |
200 |
145 |
M80×3 |
70 |
6-29 |
40 |
|
|
65 |
490 |
140 |
180 |
500 |
225 |
170 |
M100×3 |
90 |
6-33 |
50 |
|
|
80 |
580 |
150 |
200 |
600 |
260 |
195 |
M125×4 |
112 |
6-36 |
55 |
|
|
100 |
620 |
178 |
245 |
800 |
300 |
235 |
M155×4 |
135 |
8-36 |
65 |
|